Connecting G-TAP M Series Modules
Links are tapped with G-TAP M Series by disconnecting an existing link between two network devices (for example, the connection between an access switch and a distribution network) and reconnecting the link so that network data flows through one TAP.
Disconnecting Fiber from the Modules
LC Duplex or MPO/MTP connectors are easily accessed when connected to the module. Merely pull the TAP module out of the G-TAP M Series chassis by 3in or 4in. This alleviates the need for special connector latches or extraction tools.
Routing and Port Labels
A module has a set of either three, four, or six TAPs, depending on which module is used. Each TAP has an X port, a Y port, and two TAP ports. The ports are indicated by the orange label on the top panel to assist with the proper connections of the TAP to the network. Each module also has a routing diagram on the top panel. The breakout panels PNL-M341 and PNL-M343 also have routing and port labels.
There are two types of TAPs—Fused TAPs and Thin Film TAPs. Following table provides the list of TAPs under each type:
|
Fused TAPs |
Thin Film TAPs |
|
|
M251T, M251LT, M251ULT, and M251 |
|
M253 |
M253T, M253LT, and M253ULT |
|
|
M271T, M271LT, M271ULT, and M271 |
|
M273 |
M273T, M273LT, and M273ULT |
|
M473 |
M252LT, M261LT, M262LT, M263LT, and M272LT |
|
|
M451T, M451ULT, M453T, and M473T |
|
|
M471, M471T, M471ULT, and M471-SR10 |
|
|
TAP-M506T and TAP-M506A |
Routing Labels
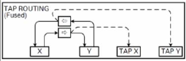
Figure 2 shows the routing diagram that is on the top panel of the Fused type G-TAP models. Refer to the Connecting G-TAP M Series Modules for the list of Fused TAPs.
| 2 | Routing Diagram for Fused Type TAPs |
Figure 3 shows the routing diagram that is on the top panel of Thin Film type G-TAP models. Refer to the Connecting G-TAP M Series Modules for the list of Thin Film TAPs.
| 3 | Routing Diagram for Thin Film Type TAPs |
Figure 4 shows the routing diagram that is on the top panel of the G-TAP M506A or G-TAP M506T.
| 4 | Routing Diagram for G-TAP M506A or G-TAP M506T |
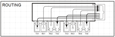
Figure 5 shows the routing diagram that is on the top panel of breakout panels PNL-M341, PNL-M341T, PNL-M343, and PNL-M343T.
| 5 | Routing Diagram for Breakout Panels PNL-M341, PNL-M341T, PNL-M343, and PNL-M343T |
Port Labels
Figure 6 shows the port label that is on the top panel of G-TAP models M251, M251T, M253T, M271, M271T, M273, M273T, M453, and M473.
| 6 | Port Label for G-TAP M251, M 251T, M253T, M271, M271T, M273, M273T, M453, and M473 |
Figure 7 shows the port label that is on the top panel of G-TAP models M451, M451T, M453T, M471, M471T, M47 1-SR10, and M473T.
| 7 | Port Label for G-TAP M451, M451T, M453T, M471, M471T, M471-SR10, and M473T |
Figure 8 shows the port label that is on the top panel of G-TAP models M251LT, M252LT, M253LT, M253ULT, M261LT, M262LT, M263LT, M271LT, M272LT, M273LT, and M273ULT.
| 8 | Port Label for G-TAP M251LT, M252LT, M253LT, M253ULT, M261LT, M262LT, M263LT, M271LT, M272LT, M273LT, and M273ULT |
Figure 9 shows the port label that is on top of G-TAP model M251ULT and M271ULT.
| 9 | Port Label for G-TAP M251ULT and M271ULT |
Figure 10 shows the port label that is on top of G-TAP model M451ULT and M471ULT.
| 10 | Port Label for G-TAP M451ULT and M471ULT |
Figure 11 shows the port label that is on top of G-TAP model M506A.
| 11 | Port Label for G-TAP M506A |
Figure 12 shows the port label that is on top of G-TAP model M506T.
| 12 | Port Label for G-TAP M506T |
Figure 13 shows the port label that is on the top panel of breakout panels PNL-M341, PNL-M341T, PNL-M343, and PNL-M343T.
| 13 | Port Label for Breakout Panels PNL-M341, PNL-M341T, PNL-M343, and PNL-M343T |



